Hauptinhalt
Topinformationen
Ultraschall Aufbau
Ultraschall Oszi
Ultraschall Innenleben
Funktionsmodell zur Ultraschalldiagnostik
Das Modul dient zur Veranschaulichung des A-Bild-Verfahrens in der Ultraschalldiagnostik. Dieses Verfahren und eine entsprechende Unterrichtseinheit wurden in [1] für die Sekundarstufe I und [2] veröffentlicht.
Das Ultraschallmodul basiert auf einer Vorlage aus der "Roboterwelt". Unsere Elektroniker haben dort allerdings einen Fehler entdeckt und das Modul überarbeitet. Dieses wird im Folgenden vorgestellt.
Im Modul wird ein kurzer Ultraschallimpuls erzeugt und das Echo empfangen. Das Echo kann mit Hilfe eines Ozilloskops dargestellt werden. Dazu werden die beiden BNC-Ausgänge des Moduls an die Eingänge des Oszilloskops angeschlossen (Bild rechts oben). Das Echo ist auf dem oberen Kanal zu sehen, das Triggersignal unten, wie die Abbildung rechts (Mitte) zeigt. Das Innere des Moduls ist auf der Darstellung rechts unten abgebildet. (Für eine Vergrößerung der Abbildungen einfach auf das jeweilige Bild klicken.)
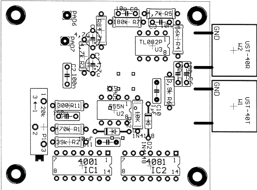
Abbildung einfach Wenn Sie das Gerät nachbauen wollen, so können Sie sich Schaltplan und Platinenlayout (zwei Dateien für das Programm EAGLE im zip-Ordner) sowie eine Bestückungsliste kostenlos herunterladen. Das Layout wurde mit dem Programm EAGLE erstellt (www.cadsoft.de). Leider lassen sich diese Dateien mit den neueren Versionen nicht öffnen. Geeignet ist die Version 3.55 (Download als zip-Datei: nach dem Entpacken die Datei Gw355r3.exe ausführen).
Wenn Sie sich nicht in EAGLE einarbeiten wollen, so können Sie das Layout auf eine spezielle (!) Laserdruckfolie (z. B. Signolit Z SLZ; ähnlich wie Butterbrotpapier!) ausdrucken und damit eine Platine belichten und anschließend ätzen. Wie diese Platine anschließend bestückt wird, sehen Sie hier. Im Internet findet man Beschreibungen, wie man selber Platinen belichtet und ätzt. (z. B. hier). Hilreich könnte auch der Plan zur Beschaltung der Platine sein.
Das Bauelement P1 (Potentiometer) muss nach dem Bau der Schaltung aus einer mittleren Stellung heraus mit Hilfe eines kleinen Schraubenziehers so verdreht werden, dass die Echoamplitude maximal wird.
Hier gibt es alle Dateien zusammen im ZIP-Ordner zum Download >>>
Literatur:
[1] Berger, R. (2004). Medizinische Ultraschall-Diagnostik im Physikunterricht der Sekundarstufe I. Naturwissenschaften im Unterricht Heft 82 (August)
[2] Berger, R. (2000). Ultraschalldiagnostik im Physikunterricht -- das Impuls-Echo-Verfahren. Praxis der Naturwissenschaften Physik, 7/49, S. 18-25
